| 用途 |
|
| 特點(diǎn) |
|
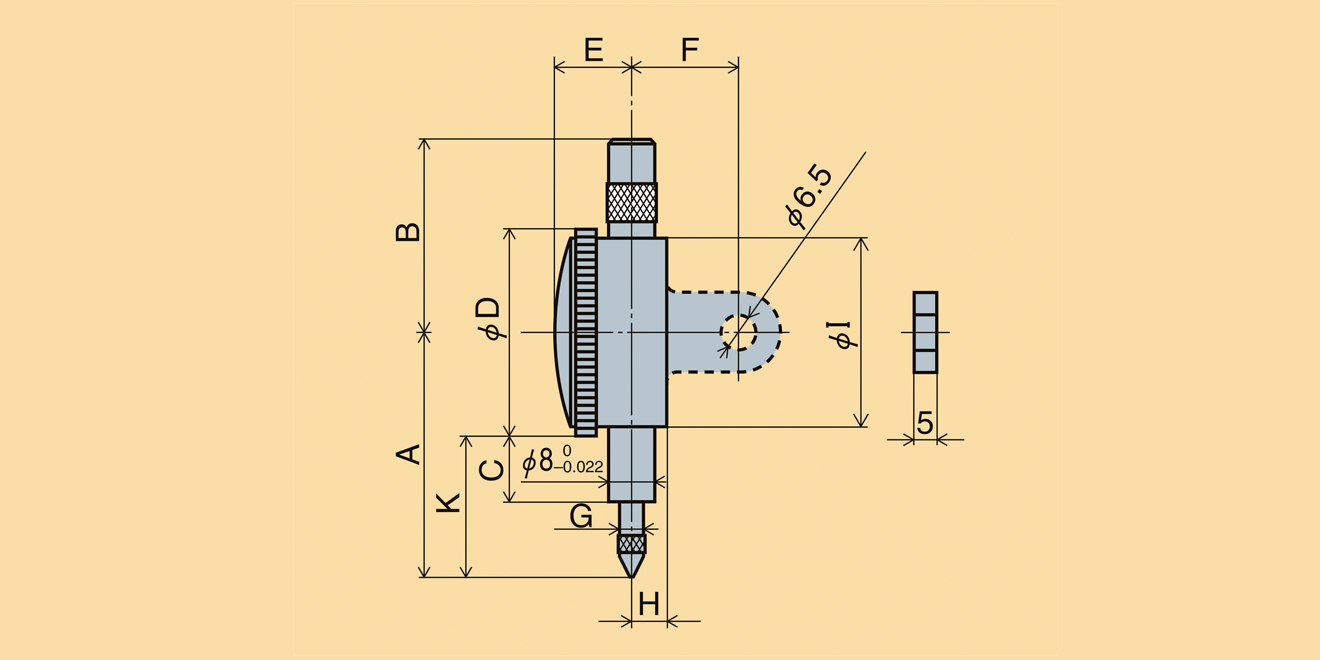
| 型號 | 最小讀值 | 測定范圍 | 指示誤差(um) | 測定壓力 | 外觀尺寸 | ||||
|---|---|---|---|---|---|---|---|---|---|
| mm | mm | 鄰接誤差 | 全測定范圍 | (N)以下 | A | B | D | G | |
| 15Z | 0.001 | ±0.08 | 2.5 | - | 1.5 | 60 | 41.5 | 53 | 4 |
| 15Z-SWF | 0.001 | ±0.08 | 2.5 | - | 62.5 | 41.5 | 53 | 4 | |
| 5Z-XB | 0.001 | ±0.07 | 2.5 | - | 69.4 | 41.5 | 53 | 4 | |
| 5Z | 0.001 | ±0.07 | 2.5 | - | 66.4 | 41.5 | 53 | 4 | |
| 18 | 0.001 | ±0.08 | 2.5 | - | 69.4 | 41.5 | 55 | 4 | |
| 17Z | 0.01 | ±0.4 | 8 | - | 1.4 | 65 | 41.5 | 53 | 4 |
| 17Z-SWA | 0.01 | ±0.4 | 8 | - | 65 | 41.5 | 53 | 4 | |
| 107Z-XB | 0.01 | ±0.4 | 8 | - | 69.4 | 41.5 | 53 | 4 | |
| 107Z | 0.01 | ±0.4 | 8 | - | 66.4 | 41.5 | 53 | 4 | |
| 17B | 0.01 | ±0.4 | 8 | - | 65 | 40.5 | 53 | 4 | |
| 117Z | 0.01 | ±0.5 | 8 | - | 65 | 41.5 | 53 | 4 | |
| 15DZ | 0.001 | ±0.08 | 2.5 | - | 1.5 | 69.4 | 41.5 | 66.5 | 4 |
| 47Z | 0.01 | ±0.4 | 9 | - | 1.4 | 58.9 | 20 | 36 | 4 |
| 47Z-XB | 0.01 | ±0.4 | 9 | - | 61.9 | 20 | 36 | 4 | |
| 47SZ | 0.01 | ±0.4 | 9 | - | 41.1 | 20 | 36 | 3.5 | |
| 147Z | 0.01 | ±0.5 | 9 | - | 41.1 | 20 | 36 | 3.5 | |
| 36Z | 0.005 | ±0.2 | - | - | 60 | 44.5 | 53 | 4 | |
品牌 :日本·Peacock
型號 :X-1
品牌 :日本·Peacock
型號 :SIS-6C
品牌 :日本·Peacock
型號 :R1-A
品牌 :日本·Kanetec
型號 :MB
品牌 :日本·Kanetec
型號 :GB-MX
品牌 :日本·Kanetec
型號 :MB-A2
品牌 :日本·Kanetec
型號 :MB-X
品牌 :日本·Kanetec
型號 :MB-OX
品牌 :日本·Kanetec
型號 :MB-Z
品牌 :日本·Kanetec
型號 :MB
展覽日期:2026年03月11日-13日
展覽地址:中國西部國際博覽城
展 位 號:16館-B050
展覽日期:2026年04月09日-12日
展覽地址:廈門國際博覽中心
展 位 號:1館-1681
展覽日期:2026年04月21日-25日
展覽地址:上海新國際博覽中心
展 位 號:W3-B203
展覽日期:2026年05月13日-15日
展覽地址:( 長沙 ) 國際會展中心
展 位 號:W2號館01/02
展覽日期:2026年08月12日-14日
展會地點(diǎn):上海新國際博覽中心· 浦東
高精達(dá)展位號:W4館 E36